联系槟城

实验室资源

解决方案

产品展示

关于槟城

首页

技术分享

直流端口两级浪涌防护电路中电感的选取|槟城电子

       室外直流电源端口大多都设计了两级浪涌防护电路,中间串联电感,电感的选取除了凭经验或盲试两种方式选取以外,对于浪涌防护经验不多的工程师更需要一种快捷的方法选取合适的电感值,提高硬件设计效率。



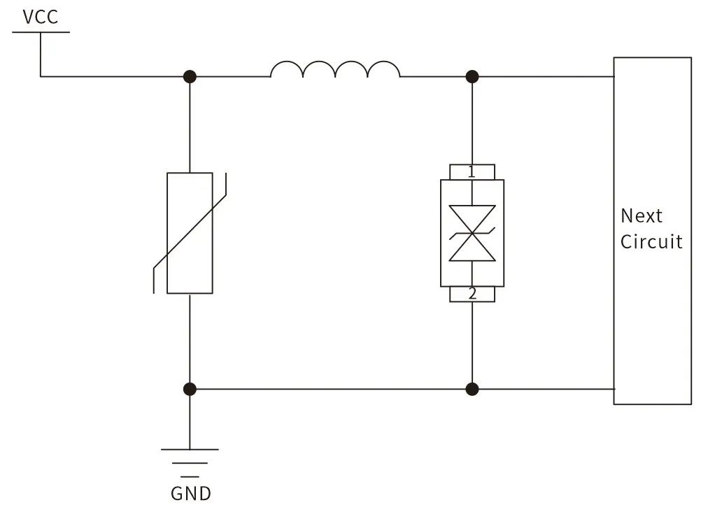
      如(图1),一个两级浪涌防护电路,MOV优点:抗浪涌冲击能力更强、便宜,缺点同一规格不同单体有几十V残压偏差;只有一级MOV防护,后级电路被浪涌击坏的风险很大。TVS优点:在标称浪涌等级下同一规格不同单体一般只有几V残压偏差,因此需要增加TVS做次级防护,做更精细的防护。

     增加次级TVS我们期望达到比初级MOV更低残压,如果不串电感,MOV与TVS完全并联,TVS响应比MOV快,残压比MOV低,浪涌电流主要通过TVS,TVS很容易超过规格书标称的IPP,因而发热损坏(当然TVS也可以选择更大的IPP但是成本增加是一定的)。为了解决这个问题我们需要串入电感。

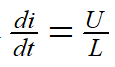
     以浪涌1.2/50us-8/20μs 2Ω,6KV 3KA浪涌测试标准为例。假设MOV残压在150V,TVS残压期望控制在90V(图2),TVS的IPP 只有700A。假设,钳位电压的脉冲宽度40μs(实测),电感的电流变化40μs内应该小于700A,,电感的电流变化率应该小于17.5A/μs(图3)

2



3


      电流变化率()由电感两端电压和感值决定,MOV残压减去TVS的残压150V-90V=60V得到电感两端的电压,,L=3.4μH,保证充足的裕量可以选4.7-5μH以上。另外还需考虑电路的工作电流,以及电感的耐压、饱和电流、或空心电感。

4