企业邮箱登录
中文
|
EN
联系槟城
联系方式
在线留言
实验室资源
电磁兼容
材料分析类
可靠性类
解决方案
行业应用指南
选型指南
技术分享
培训视频
产品展示
陶瓷气体放电管(GDT)
半导体放电管(TSS)
瞬态抑制管(TVS)
静电保护管(ESD)
板载浪涌保护(SPD)
光伏浪涌保护(SPD)
LED浪涌保护器(SPD)
压敏电阻(MOV)
压敏复合器件(BMG)
稳压管(Zener)
关于槟城
槟城简介
槟城质量
槟城荣誉
槟城文化
人力资源
首页
解决方案
行业应用指南
选型指南
技术分享
培训视频
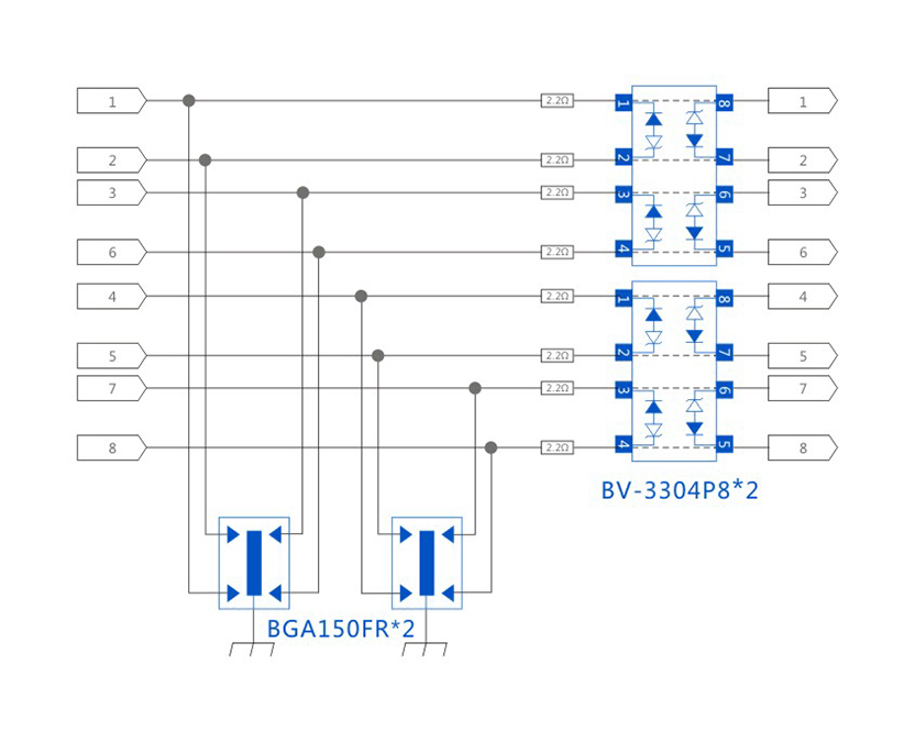
RJ45 8/20μs CM/DM 3KA
RJ45 8/20μs CM/DM 3KA
>
行业应用指南
>
解决方案
>