联系槟城

实验室资源

解决方案

产品展示

关于槟城

首页

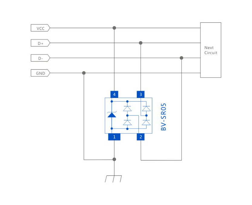
USB2.0 Contact8KV Air15KV